Road safety fences for construction are specialized steel barriers engineered to prevent vandalism and safeguard transport. Typical highway road safety fencing is constructed with Anti-Vandal Fence, Bridge Pedestrian Railings, Pedistrian Fence and Separation Fence.
Anti-Vandalism Fence for Highway Road Construction

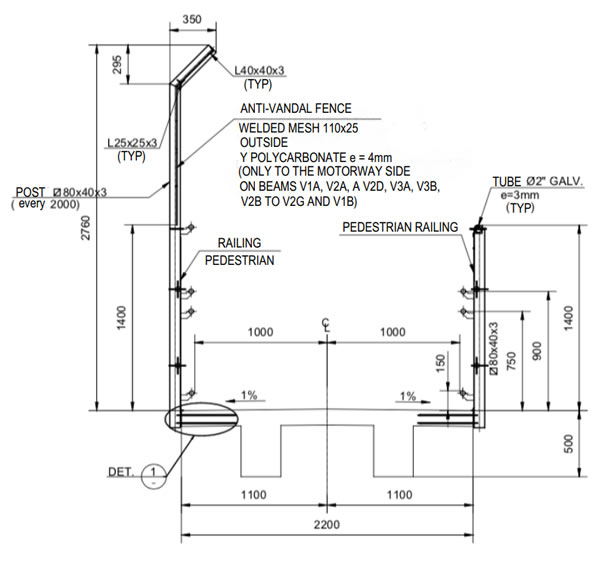
Heavy-duty barrier for highway, motorway sections and ramps.
Materials: Welded mesh 110x25 mm for the outside and 150x50 mm for the inside sections.
4 mm thick Y polycarbonate shielding, installed exclusively on the motorway side.
Specifications: Post height 2760 mm , main fence 1400 mm above the railing base.
Posts: 80 x 40 x 3 mm steel profiles.
The assembly includes galvanized plates 110 x 120 mm and galvanized tubes 3 mm thickness.
Steel material grade:
-
Steel A37-24ES French/European Standard
- A36 ASTM
- Q235
Paint / Finish:
Galvanized according to ASTM A 153
Drawing reference:

Anti vandal motorway fencing: welded steel mesh with metal railings

Steel railings for ramps safety
Galvanized Handrails

Bridge road safety fencing railings: Single Pedestrian Railings and Reinforced metallic pedestrian railings used on bridges.
Materials: Steel A37-24ES French/European Standard square steel profiles and H-beams.
Specifications: H 100 x 100 x 5 mm beams spaced every 1500 mm, railing height 1400 mm.
Components: 50 x 50 x 3 mm square tubes, 165 x 120 x 15 mm mounting plates.
Steel material grade:
-
Steel A37-24ES French/European Standard
- A36 ASTM
- Q235
Paint / Finish:
Galvanized according to ASTM A 153
Bridge Steel Railings Design:


Pedestrian Fence

Steel fencing for pedestrian walkways, bike paths, corridors, channels
Specifications:
Fence 1000 mm high, total height 1350 mm including the base.
Top rails 40 x 40 x 2.0 mm, internal bars 30 x 30 x 2.0 mm
Vertical bar 15x15x2.0mm
Steel material grade:
-
Steel A37-24ES French/European Standard
- A36 ASTM
- Q235
Paint / Finish:
Galvanized according to ASTM A 153
Drawing reference:
Medium Pedestrian Fence

Specifications: Height 1700 mm, 50 x 50 x 4 mm pillars, 50 x 50 x 3 mm horizontal beams.
Internal bars 30 x 30 x 2 mm, spaced at 120 mm intervals.
Steel material grade:
-
Steel A37-24ES French/European Standard
- A36 ASTM
- Q235
Paint / Finish:
Galvanized according to ASTM A 153
Drawing reference:

Separation Fence - Closure Control Fence against Unauthorized Access

Galvanized fencing for closure control steel mesh galv.panels
Materials: Galvanized steel mesh, wire diameter 4.2 mm x openings 150 x 50 mm.
Finish:
A37-24 ES profile steel protected against corrosion via galvanization or anticorrosive paint.
Specifications: Fence height 1850 mm, top section angled at 45° that measures 450 mm, corner and extreme poles 75 x 75 x 3 mm profiles, intermediate poles 50 x 50 x 3 mm.
Construction:
Posts embedded in 400 x 400 mm concrete foundations at a depth of 1000 mm.
On sloped terrain, steel mesh panels must be offset in height, no free spaces at the bottom.
Metal elements properly welded.
Steel material grade:
-
Steel A37-24ES French/European Standard
- A36 ASTM
- Q235
Paint / Finish:
Galvanized according to ASTM A 153
Drawing Reference:

Separation fence framed with section steel profile